电气接口说明
1个底座电气接口
1.1底座接口介绍
底座按钮和接口如图1-1所示:

图 1-1 底座接口按钮
- 电源按钮
- HDMI接口
- USB接口
- 功能接口组
- Grove接口1,2
- 网口
- 电源接口
1.2底座接口说明
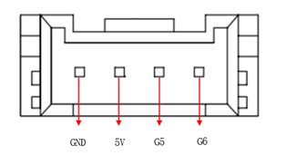
- 注:Grove接口1,2为2.54mm杜邦接口,外接2.54mm杜邦线;函数IO接口2和函数IO接口3使用Grove接口,如图1-2、1-3所示:
图 1-2 Grove接口1

图 1-3 Grove接口2
A.例表1-1定义了功能接口组的功能。
| 标签名称 | 信号名称 | 功能 | 备注 |
|---|---|---|---|
| 3V3 | 3V3 | 3.3V电源 | |
| GND | GND | 主板电源信号地 | |
| G17 | G17 | 3.3V-OUT-PNP 输出/3.3V-INT 输入 | |
| G18 | G18 | 3.3V-OUT-PNP 输出/3.3V-INT 输入 | |
| G27 | G27 | 3.3V-OUT-PNP 输出/3.3V-INT 输入 | |
| G23 | G23 | 3.3V-OUT-PNP 输出/3.3V-INT 输入 | |
| G22 | G22 | 3.3V-OUT-PNP 输出/3.3V-INT 输入 | |
| G24 | G24 | 3.3V-OUT-PNP 输出/3.3V-INT 输入 | |
| G10 | G10 | 3.3V-OUT-PNP 输出/3.3V-INT 输入 | |
| G25 | G25 | 3.3V-OUT-PNP 输出/3.3V-INT 输入 | |
| G9 | G9 | 3.3V-OUT-PNP 输出/3.3V-INT 输入 | |
| G8 | G8 | 3.3V-OUT-PNP 输出/3.3V-INT 输入 | |
| G11 | G11 | 3.3V-OUT-PNP 输出/3.3V-INT 输入 | |
| G7 | G7 | 3.3V-OUT-PNP 输出/3.3V-INT 输入 |
Table 1-1 IO功能接口特性表
B.如表1-2所示,定义了Grove接口1,2各接口的定义。
| 标签名称 | 信号名称 | 功能 | 备注 |
|---|---|---|---|
| GND | GND | 主板电源信号地 | |
| 5V | 5V | 5V电源 | |
| G2 | G2 | 3.3V-OUT-PNP 输出/3.3V-INT 输入 | |
| G3 | G3 | 3.3V-OUT-PNP 输出/3.3V-INT 输入 | |
| GND | GND | 主板电源信号地 | |
| 5V | 5V | 5V电源 | |
| G5 | G5 | 3.3V-OUT-PNP 输出/3.3V-INT 输入 | |
| G6 | G6 | 3.3V-OUT-PNP 输出/3.3V-INT 输入 |
表1-2 Grove接口1,2各接口功能表
注:功能接口的其他功能表如图1-4所示,IO功能不具备其他功能:

- C. 电源接口:直流电源24V,9.2A。
- D. 电源按钮:带自锁按钮,按下,整机开机;再按一下Disconnect,整机断电。
- F. Screen switching indicator: When switching to external screen display, the green light is on; When switching to the internal screen display, the light is not lit.
- G. HDMI对外接口:(如图1-5)该接口为HDMI A型接口,用户可以连接HDMI显示接口向其他设备终端显示操作页面

图 1-5 HDMI 接口
- H. 外接USB接口:(如图1-6)串口总线标准2.0接口,用于数据连接; USB口用于拷贝程序文件和连接鼠标、键盘等外设。

图 1-6 定义 USB 端口
- I. 网络接口:(如图1-7)网络数据连接接口。以太网接口可用于 PC 和机器人系统之间的通信,或用于与其他设备的以太网通信。
图 1-7 网络接口定义
2.1 机械臂末端接口介绍
- A.拾取器末端侧面接口如图2-1、2-2所示

图2-1 机械臂末端侧视图
- ① 舵机接口
- ② Atom

图2-2 机械臂末端侧视图
- ① 功能接口组二
- ② Grove
- ③ Type C
2.2 末端电气接口说明
A. 表 2-3 显示了功能接口组二中各个接口的定义。
| 标签 | 信号名 | 类型 | 功能 | 备注 |
|---|---|---|---|---|
| 5V | 5V | P | DC 5V | |
| GND | GND | P | GND | |
| 3V3 | 3V3 | P | DC 3.3V | |
| G22 | G22 | I/O | GPIO22 | |
| G19 | G19 | I/O | GPIO19 | |
| G23 | G23 | I/O | GPIO23 | |
| G33 | G33 | I/O | GPIO33 |
注意:
I: 仅作为输入。
I/O: 该功能信号包含输入和输出组合。
当管角设置为输出端时,它将输出电压3.3V。
1、单个管角的拉电流随管脚数量增加而减小,从约40mA减小到29mA。
如果某个GPIO被设置为输出模式时,输出高电平信号,电路连接如图 2.1.1.2-12 所示,LED灯将点亮。
图 2.1.1.2-12
B. Type C接口:可用于和PC端连接通讯,更新固件使用。
C. Grove3: 定义如图 2.3 所示

图 2-3 Grove 3
D. 舵机接口:用于末端拓展夹爪时使用,当前支持配套的自适应夹爪使用。
E. Atom:用于 5X5 RGB LED(G27)显示和按键功能(G39)
